16.08.2016
Предлагаемое решение позволяет на базе одного частотного преобразователя Vacon 100 Flow управлять несколькими электродвигателями (до 8-ми).
Стандартно можно управлять тремя двигателями (далее потребуются доп. платы расширения).
Зачем это нужно?
В течении суток происходят колебания, скажем, требуемого потока жидкости или воздуха. Использование нескольких насосов (вентиляторов или компрессоров) вместо одного приводит к увеличению энергоэффективности и надежности (резервирование), поскольку нагрузка распределяется между несколькими насосами.
Multipump представляет собой решение с одним частотным преобразователем, в котором преобразователь частоты управляет работой основого насоса. Если в данный момент времени расход превышает возможности основного насоса, преобразователь частоты своими релейными контактами прямым пуском включает в работу вспомогательные насосы.
Таким образом уставку (давление, расход, температуру и т.д.) можно поддерживать за счет регулирования оборотов основного двигателя и количества работающих двигателей на 50 Гц.
Возможности системы:
- регулирование оборотов основного двигателя и коммутация вспомогательных двигателей (прямой пуск) по мере надобности.
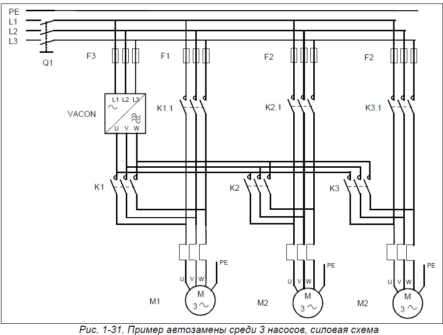
- функция автозамены насосов, для одинакового распределения моторесурса между всеми двигателями (рис. а). Для этого на каждый насос необходимо по два контактора.
- функция "без автозамены". Достаточно по одному контактору только для вспомогательных двигателей (рис. б).
- в режиме "без автозамены" (рис. б) вместо контакторов можно установить устройство плавного пуска.
- поддержка до 8-ми (!) двигателей.
- нет необходимости в использовании кокой-либо внешней логики (ПЛК, программируемые реле).
- поддержка ручного режима работы для вспомогательных двигателей.

В рамках данного технического решения, компания Albo предлагает свои услуги:
- обследование объекта на предмет автоматизации управления, энергосбережения и пр.;
- выдача технико-коммерческого предложения;
- поставка основных и сопутствующих агрегатов, узлов и комплектующих;
- сопровождение клиента во время комплектации, изготовления, сборки узлов системы;
- в сотрудничестве с партнерским компаниями по насосной, компрессорной, вентиляторной технике - выдача "готового решения под ключ";
- техническая поддержка по внедрению и эксплуатации на объекте заказчика.
Отзывы: