VEDADRIVE – это ответ требованиям рынка. Вы знаете, что на промышленных
объектах, куда ставятся низковольтные преобразователи частоты, достаточно большое поле для деятельности в плане установки высоковольтных преобразователей частоты.
Основные применения
Энергетика водоканалы, теплосети, водоотведение (насосы, дымосы), горная промышленность и прочее.
Выбор VEDADRIVE
VEDADRIVE – это преобразователь частоты (ПЧ) среднего напряжения. Он построен по топологии многоуровнего инвертора напряжения.
Это самая современная на сегодняшний день концепция. КПД более 96% , минимальные искажения оп току менее 5% (THDi).
Рассмотрим более подробно
На вводе высоковольтного частотно-регулируемого привода установлен входной трансформатор с высоковольтной первичной обмоткой и низковольтными (690 В) расщепленными вторичными обмотками с фазовым сдвигом.
На примере ПЧ 6кВ, можно видеть, что данный привод состоит из 15 силовых инверторных ячеек. Каждая вторичная обмотка трансформатора питает свою ячейку. На каждой фазе установлены пять ячеек, которые соединены последовательно (напряжение 690В складывается пять раз). И эти ячейки формируют, собственно, выходное напряжение привода. Ток ячейки 35 Ампер при напряжении 690В.
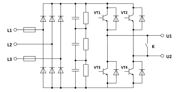
Структурная схема ячейки приведена на картинке.
На схеме видно, что каждая силовая ячейка, по сути, представляет собой низковольтный преобразователь частоты (со своим диодным мостом, звеном DC и инвертором на выходе). За счет такой топологии, достигается высокая пульсность схемы выпрямления (30/36 пульсов для 6 кВ, 48/54 пульсов для 10 кВ). Благодаря такому аппаратному решению достигается крайне низкий уровень гармонического искажения питающей сети (THDi<5%), что позволяет отказаться от применения фильтров на входе ПЧ.
Уже было сказано, за счет чего формируется напряжение 6кВ на выходе ПЧ. Теперь выясним, какой же формы получается выходной сигнал? Каждая ячейка, будучи, по сути, низковольтным частотником формирует выходной ШИМ.
Поскольку все ячейки работают со смещением по времени, напряжение на выходе каждой ячейки в сумме дает практически синусоиду. С учетом индуктивности электродвигателя токовая кривая в общем является идеальной синусоидой, которая близка по своей форме к сетевой синусоиде. Это факт, позволяет обойтись без дополнительных выходных моторных дросселей (фильтров) даже при большой длине кабелей ПЧ-двигатель (до 1200м). Также это позволяет работать с устаревшими моделями двигателей, не рассчитанным на работу от ПЧ.

Рассмотрим вкратце конструкцию привода
VEDADRIVE - привод на базе шкафного типа. Шкафы установлены в линейку. В принципе все привода не зависимо от мощности имеют похожую компоновку.
Привод состоит из 3 базовых секций: секция трансформатора, секция силовых ячеек, секция управления. Над секциями трансформатора и ячеек на крыше установлены вентиляторы охлаждения. При работящем приводе, при попытке открыть двери секций трансформатора или силовых ячеек, срабатывают дверные концевые выключатели, после чего активируется защита и привод отключается по защите.
Обмотки трансформатора выполнены из меди с сухой изоляцией.
Вторичные многочисленные обмотки с фазовым сдвигом питают силовые инверторные ячейки.
Каждая ячейка управляется от контроллера по оптическому кабелю. Это что придает системе большую надежность в работе за счет отсутствия влияния электромагнитных помех и безопасность персонала за счет гальванической развязки секции управления от других секций.
Каждая ячейка укомплектована быстродействующим предохранителем для ее защиты по входу.
Как и обычный низковольтный частотник, ячейка имеет платы управления, свой радиатор охлаждения и большую емкость конденсаторов в отсеке выпрямителя. К радиатору с пассивным охлаждением прикреплены силовые IGBT- транзисторы.
Приводы VEDADRIVE укомплектованы сенсорными ЧМИ (HMI) 10’’ для удобства эксплуатации. Внутри отсека управления расположено по сути два контроллера. Один отвечает за формирование ШИМ и работу силовых ячеек по оптоволоконным линиям связи, а второй за АСУТП (HMI, I/O, Fielbus и логика).
Основные преимущества
Основные защиты
| Имя файла | Описание | Инфо |
|---|---|---|
| _VEDA_Catalog_Danfoss.pdf | Руководство по выбору модели ВВ ЧРП VEDADRIVE | 1.7 МВ |
| _VEDADRIVE_Manual2.pdf | Руководство по эксплуатации | 1.8 МВ |
| Чертежи VEDADRIVE_Danfoss.pdf | Чертежи, схемы | 4.6 МВ |